- Novinky v ponuke
- Kompresory
- Stlačený vzduch
- Pneumatické náradie
- Automatizácia
- FLUID ventily
- Náradie USAG
- Zariadenie dielne
- Servisné vozíky
- Basy a puzdrá
- Brašne a ruksaky
- Kufríky
- Sady náradia
- Gola
- Kľúče
- Kliešte
- Skrutkovače
- Bity
- Kladivá
- Sťahováky
- Nožnice
- Nože
- Sekáče
- Vyrážače
- Páčidla
- Pílky
- Špachtle
- Zdviháky a podpery
- Zveráky a zvierky
- Náradie do 1000V
- Svietidlá
- Obrábanie
- Závitové spoje
- Meranie a značenie
- Pneumatické
- Špecializované
- Ostatné nezaradené
- Bazár
Modul priebežný ...
23,74 €
cena s DPH
Kód produktu:
Variant
Počet kusov
Na sklade u dodávateľa
dodacia lehota 2-4 týždne
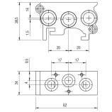
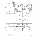
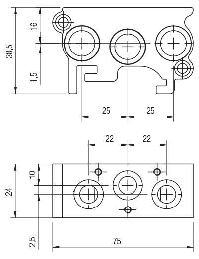
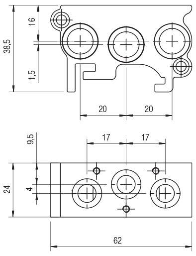
Modul priebežný, veľkosť podľa variantu
Popis produktu
- priebežný modul - pozícia pre jeden ventil
- pre ventily veľkosti 1/8" alebo 1/4" podľa vybratého variantu
- vhodný pre 5 aj 3-cestné ventily s použitím príslušenstva
- modul z eloxovaného hliníka
- dodávané vrátane montážnych skrutiek a tesniacich O krúžkov pre zaistenie perfektnej montáže








